аксиально поршневой насо Yeoshe AR

Сопутствующие товары

A10VG63DA1D3L10R
Поршневые насосы Rexroth A10VG
Гидравлический поршневой насос Yeoshe V
Гидравлический поршневой насос Yeoshe V
Насос гидравлический Rexroth A11VLO
Насос гидравлический Rexroth A11VLO
Поршневой насос Yuken AR
Гидравлический насос Yuken AR AR16 AR22
Поршневой насос A3H Yuken
Поршневой насос с регулируемым рабочим объемом Yuken A3H
Гидравлический поршневой насос PVH
Гидравлический поршневой насос Vickers PVH
Гидравлический поршневой насос Vickers PVE
Поршневой насос переменного объема Vickers PVE
ПОРШНЕВОЙ НАСОС PVB
поршневой насос Vickers PFB PVB
Поршневой насос Rexroth A20VO A2VLO
Аксиально-поршневой насос Rexroth A20VO A20VLO
Rexroth A2F гидромотор и A2F гидронасос
Rexroth A2F гидромотор и A2F гидронасос

Связаться с нами

аксиально поршневой насо Yeoshe AR

Аксиально-поршневые насосы Yeoshe доступны в различных типоразмерах: 8, 10, 12, 16 и 22. Они работают при нормальном давлении 165 бар и могут выдерживать переходное давление до 210 бар.

Особенность

Уникальная конструкция патрона: В управляющей части аксиально-поршневого насоса YEOSHE AR применена уникальная конструкция патрона, которая повышает точность и стабильность работы.

Прочная и обработанная поверхность гидравлического насоса Yeoshe: Внутренняя поверхность скольжения изготовлена из износостойких материалов, предотвращающих прилипание, и специально обработана для повышения долговечности.

Надежные компоненты: Внутренние детали гидравлического насоса AR, такие как цилиндр и поршень в сборе, аналогичны таковым в знаменитых насосах серии V, что обеспечивает превосходную надежность.

Компактная конструкция с низким уровнем шума: Специально разработанная полуцилиндрическая несущая конструкция с наклонной пластиной эффективно снижает вибрацию и шум, делая корпус компактным и легким – всего 9,4 кг.

Эффективный и простой в сборке: Поршневой насос Yeoshe AR изготовлен из специального сплава, который обеспечивает бесшумную работу, длительный срок службы и экономию энергии. Он подходит для применения при постоянном давлении ниже 160 кг/см2, прост в сборке, может быть непосредственно подключен к двигателю и имеет красивый внешний вид.

Параметр насос Yeoshe AR

Серия поршневых насосов Yeoshe AR: AR8, AR10, AR12, AR16, AR22

Model No. Pump Capacity Pump Deliveryl Pressure Adj.Range Revolution
Speed
Weight kg(lb)
(7 bar 100 PSI) B
Bar(Map)
C
Bar(Map)
min −1
cm3/rev In3/rev 1500RPM 1800RPM Min. Max.
LMP U.S GPM LMP U.S GPM
AR8 8 0.48 12 3.17 14.4 3.8 12-70
(1.2-7)
12-210
(1.2-21)
500 1800 9
(19.8)
AR10 10 0.61 15 3.9 18 4.76
AR12 12 0.73 18 4.76 21.6 5.73
AR16 15.8 0.96 23.5 6.26 28.64 7.51
AR22 22.2 1.35 33.5 8.8 39.96 10.56

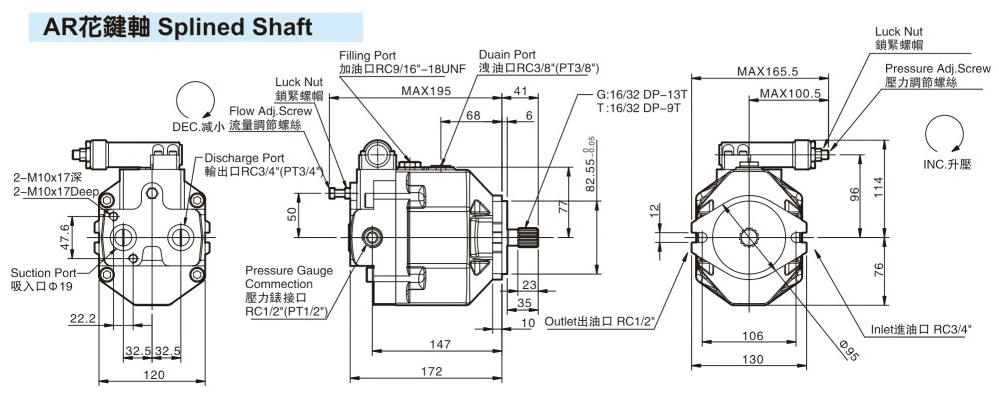
Размерная Диаграмма

Серия поршневых насосов Yeoshe AR

Серия поршневых насосов Yeoshe AR

аксиально поршневой насо Yeoshe AR

Аксиально-поршневые насосы Yeoshe доступны в различных типоразмерах: 8, 10, 12, 16 и 22. Они работают при нормальном давлении 165 бар и могут выдерживать переходное давление до 210 бар.

Особенность

Уникальная конструкция патрона: В управляющей части аксиально-поршневого насоса YEOSHE AR применена уникальная конструкция патрона, которая повышает точность и стабильность работы.

Прочная и обработанная поверхность гидравлического насоса Yeoshe: Внутренняя поверхность скольжения изготовлена из износостойких материалов, предотвращающих прилипание, и специально обработана для повышения долговечности.

Надежные компоненты: Внутренние детали гидравлического насоса AR, такие как цилиндр и поршень в сборе, аналогичны таковым в знаменитых насосах серии V, что обеспечивает превосходную надежность.

Компактная конструкция с низким уровнем шума: Специально разработанная полуцилиндрическая несущая конструкция с наклонной пластиной эффективно снижает вибрацию и шум, делая корпус компактным и легким – всего 9,4 кг.

Эффективный и простой в сборке: Поршневой насос Yeoshe AR изготовлен из специального сплава, который обеспечивает бесшумную работу, длительный срок службы и экономию энергии. Он подходит для применения при постоянном давлении ниже 160 кг/см2, прост в сборке, может быть непосредственно подключен к двигателю и имеет красивый внешний вид.

Параметр насос Yeoshe AR

Серия поршневых насосов Yeoshe AR: AR8, AR10, AR12, AR16, AR22

Model No. Pump Capacity Pump Deliveryl Pressure Adj.Range Revolution
Speed
Weight kg(lb)
(7 bar 100 PSI) B
Bar(Map)
C
Bar(Map)
min −1
cm3/rev In3/rev 1500RPM 1800RPM Min. Max.
LMP U.S GPM LMP U.S GPM
AR8 8 0.48 12 3.17 14.4 3.8 12-70
(1.2-7)
12-210
(1.2-21)
500 1800 9
(19.8)
AR10 10 0.61 15 3.9 18 4.76
AR12 12 0.73 18 4.76 21.6 5.73
AR16 15.8 0.96 23.5 6.26 28.64 7.51
AR22 22.2 1.35 33.5 8.8 39.96 10.56

Размерная Диаграмма

Серия поршневых насосов Yeoshe AR

Серия поршневых насосов Yeoshe AR

Related products

Аксиально-поршневой насос переменного тока A2VK
Поршневой насос Rexroth A2VK
поршневой насос A4VG
Аксиально-поршневой насос A4VG
Rexroth A2F гидромотор и A2F гидронасос
Аксиально-поршневой насос Bosch Rexroth A2FO
A10VG63DA1D3L10R
Поршневые насосы Rexroth A10VG
Гидравлический поршневой насос Yeoshe V
Гидравлический поршневой насос Yeoshe V
Поршневой насос Parker PV
аксиально поршневой насос Yeoshe PV
Поршневой насос Nachi PVS
Поршневой насос Nachi PVS
Поршневой насос rexroth A4VSG
Гидронасосы Bosch Rexroth A4VSG
Насос гидравлический Rexroth A11VLO
Поршневой насос высокого давления A11VO
Насосы Parker PVP
Купить Parker PVP Гидравлический поршневые насос

Contact Us

POOCCA

Welcome to contact us using WeChat

POOCCA

Welcome to contact us by email

POOCCA

Welcome to contact us via whatsapp