A15VSO A15VLO Аксиально поршневой насос Rexroth

Сопутствующие товары

поршневой насос rexroth
поршневой насос Rexroth A10VSO
Гидравлический поршневой насос Yeoshe V
Гидравлический поршневой насос Yeoshe V
Поршневой насос Yuken AR
Гидравлический насос Yuken AR AR16 AR22
Поршневой насос с разомкнутым контуром Vickers PVXS
Поршневой насос с разомкнутым контуром Vickers PVXS
ПОРШНЕВОЙ НАСОС PVB
поршневой насос Vickers PFB PVB
Поршневой насос Rexroth A20VO A2VLO
Аксиально-поршневой насос Rexroth A20VO A20VLO
Поршневой насос rexroth A4VSG
Гидронасосы Bosch Rexroth A4VSG
Насос A17FO
поршневой насос Rexroth A17FO
Насос гидравлический Rexroth A11VLO
Поршневой насос высокого давления A11VO
Насосы Parker PVP
Купить Parker PVP Гидравлический поршневые насос

Связаться с нами

A15VSO A15VLO Аксиально поршневой насос Rexroth

▶ Размеры от 110 до 280
▶ Номинальное давление 5100 фунтов на квадратный дюйм (350 бар)
▶ Максимальное давление 6100 фунтов на квадратный дюйм (420 бар)
▶ Разомкнутый контур

Особенность

Особенности
▶ Аксиально-поршневой насос с перекосной пластиной A15VSO A15VLO для гидростатических приводов открытого контура.
▶ Лучше всего подходит для стационарного применения.
▶ Скорость потока пропорциональна частоте вращения привода и объему рабочего объема.
▶ Скорость потока можно бесконечно изменять, регулируя угол наклона поворотной пластины.
▶ Поршневой насос Rexroth A 15V может быть самовсасывающим или использоваться в сочетании с заправочным насосом.
▶ Широкий спектр легко адаптируемых элементов управления с различными функциями контроля и регулирования для стационарного применения.
▶ 100%-ная функциональность швартовки возможна в зависимости от конкретного контроллера (перегрузочный центр, работа в качестве двигателя).
▶ Универсальный сквозной привод, подходящий для установки с шестеренными и аксиально-поршневыми насосами одинакового размера, т.е. 100%-ный сквозной привод.
▶ Компактная конструкция
▶ Высокая эффективность
▶ Высокая удельная мощность

Параметр

Серия поршневых насосов A15VSO: A15VSO110, A15VSO145, A15VSO175, A15VSO210, A15VSO280

A15VSO поршневой насос

Серия поршневых насосов A15VLO:A15VLO145, A15VLO175, A15VLO210, A15VLO280   A15VLO A15VSO поршневой насос

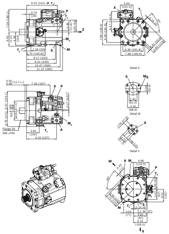
Размерная Диаграмма

A15VLO A15VSO поршневой насос

Код Заказа

A15VLO A15VSO поршневой насос

Сценарий Применения

Гидравлические системы poocca имеют широкий спектр применений и подходят для горнодобывающего оборудования, сельскохозяйственной техники, строительной техники и автомобильной промышленности. В горнодобывающем оборудовании они обеспечивают мощную мощность и точное управление; в сельскохозяйственной технике они повышают эффективность производства; в строительной технике они обеспечивают эффективную передачу энергии и управление работой;
Если вы хотите правильно подобрать гидравлические продукты для своей техники, пожалуйста, свяжитесь с компанией poocca.

производитель гидравлических систем poocca

О Компании POOCCA

Производитель гидравлических систем POOCCA специализируется на проектировании, производстве, обслуживании и продаже Гидравлических насосов, Двигателей, Клапанов, Компонентов и Нестандартных решений. Наш годовой экспорт превышает 16 миллионов долларов, что отражает Наш глобальный охват и Доверие, завоеванное благодаря Долгосрочным партнерским отношениям с более чем 75 странами по всему миру.

У нас имеется более 2000 различных шестеренных насосов, поршневых насосов, лопастных насосов, двигателей, гидравлических клапанов, гидравлических распределителей и аксессуаров для удовлетворения потребностей различных отраслей промышленности, таких как строительство, сельское хозяйство, горнодобывающая промышленность и другие.

Основная миссия Производителя POOCCA Hydraulic – предоставлять Продукцию Высокого Качества каждому Пользователю Гидравлических Систем по доступным Ценам. Большинство Товаров Есть В Наличии На Складе И Могут Быть Быстро Отправлены.

По своей сути, POOCCA – это больше, чем просто производитель гидравлики, это надежный партнер, стремящийся обеспечить успех клиентов благодаря качеству, инновациям и устойчивому развитию в отрасли гидравлики.

POOCCA гидравлический

A15VSO A15VLO Аксиально поршневой насос Rexroth

▶ Размеры от 110 до 280 ▶ Номинальное давление 5100 фунтов на квадратный дюйм (350 бар) ▶ Максимальное давление 6100 фунтов на квадратный дюйм (420 бар) ▶ Разомкнутый контур

Особенность

Особенности
▶ Аксиально-поршневой насос с перекосной пластиной A15VSO A15VLO для гидростатических приводов открытого контура.
▶ Лучше всего подходит для стационарного применения.
▶ Скорость потока пропорциональна частоте вращения привода и объему рабочего объема.
▶ Скорость потока можно бесконечно изменять, регулируя угол наклона поворотной пластины.
▶ Поршневой насос Rexroth A 15V может быть самовсасывающим или использоваться в сочетании с заправочным насосом.
▶ Широкий спектр легко адаптируемых элементов управления с различными функциями контроля и регулирования для стационарного применения.
▶ 100%-ная функциональность швартовки возможна в зависимости от конкретного контроллера (перегрузочный центр, работа в качестве двигателя).
▶ Универсальный сквозной привод, подходящий для установки с шестеренными и аксиально-поршневыми насосами одинакового размера, т.е. 100%-ный сквозной привод.
▶ Компактная конструкция
▶ Высокая эффективность
▶ Высокая удельная мощность

Параметр

Серия поршневых насосов A15VSO: A15VSO110, A15VSO145, A15VSO175, A15VSO210, A15VSO280

A15VSO поршневой насос

Серия поршневых насосов A15VLO:A15VLO145, A15VLO175, A15VLO210, A15VLO280   A15VLO A15VSO поршневой насос

Размерная Диаграмма

A15VLO A15VSO поршневой насос

Код Заказа

A15VLO A15VSO поршневой насос

Сценарий Применения

Гидравлические системы poocca имеют широкий спектр применений и подходят для горнодобывающего оборудования, сельскохозяйственной техники, строительной техники и автомобильной промышленности. В горнодобывающем оборудовании они обеспечивают мощную мощность и точное управление; в сельскохозяйственной технике они повышают эффективность производства; в строительной технике они обеспечивают эффективную передачу энергии и управление работой;
Если вы хотите правильно подобрать гидравлические продукты для своей техники, пожалуйста, свяжитесь с компанией poocca.

производитель гидравлических систем poocca

О Компании POOCCA

Производитель гидравлических систем POOCCA специализируется на проектировании, производстве, обслуживании и продаже Гидравлических насосов, Двигателей, Клапанов, Компонентов и Нестандартных решений. Наш годовой экспорт превышает 16 миллионов долларов, что отражает Наш глобальный охват и Доверие, завоеванное благодаря Долгосрочным партнерским отношениям с более чем 75 странами по всему миру.

У нас имеется более 2000 различных шестеренных насосов, поршневых насосов, лопастных насосов, двигателей, гидравлических клапанов, гидравлических распределителей и аксессуаров для удовлетворения потребностей различных отраслей промышленности, таких как строительство, сельское хозяйство, горнодобывающая промышленность и другие.

Основная миссия Производителя POOCCA Hydraulic – предоставлять Продукцию Высокого Качества каждому Пользователю Гидравлических Систем по доступным Ценам. Большинство Товаров Есть В Наличии На Складе И Могут Быть Быстро Отправлены.

По своей сути, POOCCA – это больше, чем просто производитель гидравлики, это надежный партнер, стремящийся обеспечить успех клиентов благодаря качеству, инновациям и устойчивому развитию в отрасли гидравлики.

POOCCA гидравлический

Related products

Гидравлический поршневой насос Yeoshe V
Гидравлический поршневой насос Yeoshe V
аксиально поршневой насо Yeoshe AR
аксиально поршневой насо Yeoshe AR
Поршневой насос Yuken AR
Гидравлический насос Yuken AR AR16 AR22
Поршневой насос Nachi PVS
Поршневой насос Nachi PVS
Поршневой насос с разомкнутым контуром Vickers PVXS
Поршневой насос с разомкнутым контуром Vickers PVXS
Гидравлический поршневой насос Vickers PVE
Поршневой насос переменного объема Vickers PVE
Поршневой насос Parker PV
Купить поршневой насос Parker PV
Rexroth A2F гидромотор и A2F гидронасос
Rexroth A2F гидромотор и A2F гидронасос
Поршневой насос Rexroth A22VG
Гидронасос Rexroth a22vg 45
Насос A7VO
Гидравлический насос A7VO

Contact Us

POOCCA

Welcome to contact us using WeChat

POOCCA

Welcome to contact us by email

POOCCA

Welcome to contact us via whatsapp