поршневой насос Rexroth A10VSO

Сопутствующие товары

Насос Rexroth A4VSO
Аксиально-поршневой регулируемый насос Rexroth A4VSO
Поршневой насос Parker PV
аксиально поршневой насос Yeoshe PV
аксиально поршневой насо Yeoshe AR
аксиально поршневой насо Yeoshe AR
Поршневой насос A3H Yuken
Поршневой насос с регулируемым рабочим объемом Yuken A3H
поршневой насос nachi pz
Nachi PZ PZS Piston Pump
ПОРШНЕВОЙ НАСОС PVB
поршневой насос Vickers PFB PVB
A15VSO A15VLO насос
A15VSO A15VLO Аксиально поршневой насос Rexroth
Аксиально-поршневой насос Bosch Rexroth A1VO
Rexroth A1VO Аксиально-поршневой насос Bosch
Насос гидравлический Rexroth A11VLO
Поршневой насос высокого давления A11VO
Насосы Parker PVP
Купить Parker PVP Гидравлический поршневые насос

Связаться с нами

поршневой насос Rexroth A10VSO

Поршневой насос Rexroth A10VSO доступен для продажи на складе. Производитель Poocca Hydraulic поможет вам выбрать правильную модель. Пожалуйста, пришлите нам свои требования.

 

Особенность

*Поршневые насосы Rexroth A10VSO доступны в типоразмерах от 71 до 140 и представляют собой аксиально-поршневые насосы с наклонной головкой для открытых контуров и относятся к серии 32.

*Они отличаются низким уровнем шума, высокой эффективностью, высокой эксплуатационной надежностью и универсальным приводным валом. Технические характеристики включают диапазон рабочего объема от 5 до 1000 см3, номинальное давление до 420 бар, максимальную частоту вращения 5600 об/мин и максимальную мощность 933 кВт.

*Аксиально-поршневые насосы A10VSO оснащены модульным блоком управления, включающим гидромеханические и электрогидравлические регуляторы.

*A10VSO оснащен приводом от сквозного вала, который может использоваться для шестеренчатых или аксиально-поршневых насосов с такими же техническими характеристиками или менее, то есть 100%-ным приводом от сквозного вала, и имеет несколько диапазонов управления (DG, DR, DRG, DFR, DFR1, DFLR, ED, ER) и короткие контрольное время.

Параметр

A10VSO Series 31
Size NG 18 28 45 71 88 100 140
Displacement Vg max in3 1.1 1.71 2.75 4.33 5.37 6.1 8.54
(cm3) 18 28 45 71 88 100 140
Rotational
speed at
Vg max nnom rpm 3300 3000 2600 2200 2100 2000 1800
maximum1) at Vg <V 2) n nmax
perm
rpm 3900 3600 3100 2600 2500 2400 2100
Flow at nnom
and Vg max
qv max gpm 15.6 22 30.9 41.2 48.9 52.8 67
(l/min) 59 84 117 156 185 200 252
at nE= 1800 rpm qvE max gpm 8.5 13.3 21.4 33.8 41.8 47.6 67
and Vg max (l/min) 32 50 81 128 158 180 252
Power at nnom, Vg max P max HP 38 52 74 98 115 125 156
(kW) 28 39 55 73 86 93 118
at Δp = 4100 psi(280 bar) at nE= 1800 rpm PE max HP 19 31 50 79 99 111 156
and Vg max (kW) 15 24 38 69 74 84 118
Torque Δp = 4100 psi
(280 bar)
T max lbft 59 92 148 233 289 328 460
(Nm) 80 125 200 316 392 445 623
at Vg max and Δp = 1450 psi
(100 bar)
T lbft 22 33 53 83 103 117 164
(Nm) 30 45 72 113 140 159 223
Rotary stiffness
of drive shaft
S c lbft/rad 8177 16460 27659 53019 53019 89350 124970
(Nm/rad) 11087 22317 37500 71884 71884 121142 169437
R c lbft/rad 10953 19442 30258 56457 56457
(Nm/rad) 14850 26360 41025 76545 76545
U c lbft/rad 5967 67187
(Nm/rad) 8090 91093
K c lbft/rad 9839 19316 32382 60562 60562 99794 138961
(Nm/rad) 13340 26189 43905 82112 82112 135303 188406
Moment of inertia for rotary group JTW lbsft2 0.022 0.04 0.078 0.197 0.197 0.396 0.574
(kgm2) 0.00093 0.0017 0.0033 0.0083 0.0083 0.0167 0.0242
Case volume V gal 0.106 0.185 0.264 0.42 0.42 0.58 0.79
(l) 0.4 0.7 1 1.6 1.6 2.2 3
Weight without through drive (approx.) m lbs 28 40 52 78 78 109 144
(kg) 12.9 18 23.5 35.2 35.2 49.5 65.4
Weight with through drive (approx.) lbs 30 43 55 84 84 122 164
(kg) 13.8 19.3 25.1 38 38 55.4 74.4

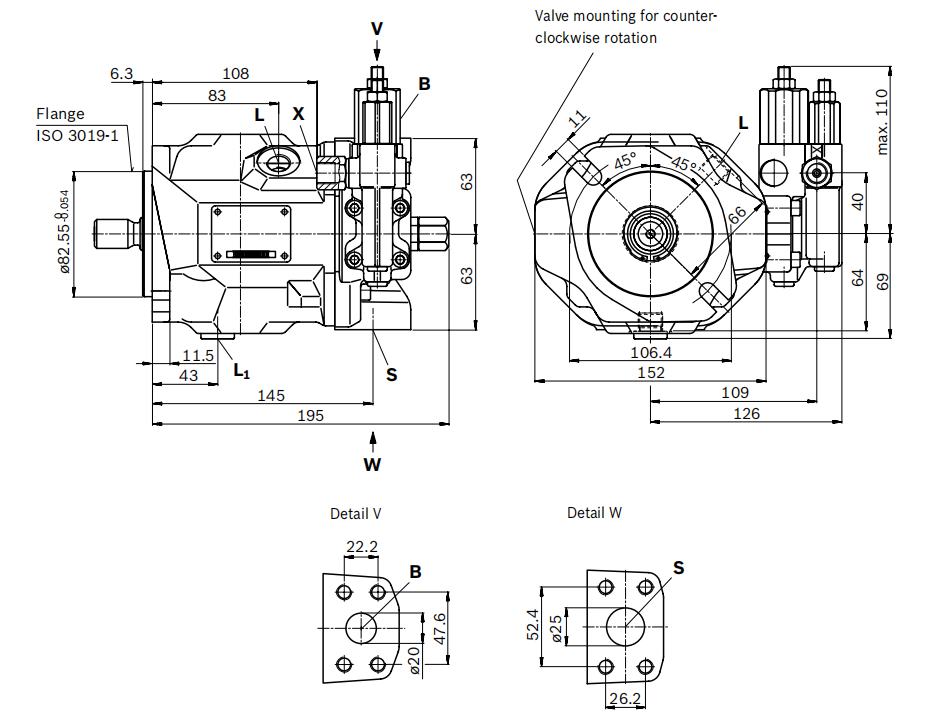
Размерная Диаграмма

A10VSO Series 31 Specification 18поршневой насос A10VSO

Дисплей приводного вала
аксиально поршневой насос A10VSO

Poocca will send you drawings for confirmation when comparing parameters with you. Please send us your more detailed requirements. We will reply to you as soon as possible and send relevant product quotations, physical drawings, dimensional drawings and other information.

О Компании POOCCA

Производитель гидравлических систем POOCCA специализируется на проектировании, производстве, обслуживании и продаже Гидравлических насосов, Двигателей, Клапанов, Компонентов и Нестандартных решений. Наш годовой экспорт превышает 16 миллионов долларов, что отражает Наш глобальный охват и Доверие, завоеванное благодаря Долгосрочным партнерским отношениям с более чем 75 странами по всему миру.

У нас имеется более 2000 различных шестеренных насосов, поршневых насосов, лопастных насосов, двигателей, гидравлических клапанов, гидравлических распределителей и аксессуаров для удовлетворения потребностей различных отраслей промышленности, таких как строительство, сельское хозяйство, горнодобывающая промышленность и другие.

Основная миссия Производителя POOCCA Hydraulic – предоставлять Продукцию Высокого Качества каждому Пользователю Гидравлических Систем по доступным Ценам. Большинство Товаров Есть В Наличии На Складе И Могут Быть Быстро Отправлены.

По своей сути, POOCCA – это больше, чем просто производитель гидравлики, это надежный партнер, стремящийся обеспечить успех клиентов благодаря качеству, инновациям и устойчивому развитию в отрасли гидравлики.

Shipping & Payment

Товар может быть доставлен в указанный вами пункт назначения с помощью DHL, UPS, FEDEX, TNT, EMS, SF International и других служб логистики.Существует множество способов оплаты.
Двигатель гидравлического насоса

поршневой насос Rexroth A10VSO

Поршневой насос Rexroth A10VSO доступен для продажи на складе. Производитель Poocca Hydraulic поможет вам выбрать правильную модель. Пожалуйста, пришлите нам свои требования.  

Особенность

*Поршневые насосы Rexroth A10VSO доступны в типоразмерах от 71 до 140 и представляют собой аксиально-поршневые насосы с наклонной головкой для открытых контуров и относятся к серии 32.

*Они отличаются низким уровнем шума, высокой эффективностью, высокой эксплуатационной надежностью и универсальным приводным валом. Технические характеристики включают диапазон рабочего объема от 5 до 1000 см3, номинальное давление до 420 бар, максимальную частоту вращения 5600 об/мин и максимальную мощность 933 кВт.

*Аксиально-поршневые насосы A10VSO оснащены модульным блоком управления, включающим гидромеханические и электрогидравлические регуляторы.

*A10VSO оснащен приводом от сквозного вала, который может использоваться для шестеренчатых или аксиально-поршневых насосов с такими же техническими характеристиками или менее, то есть 100%-ным приводом от сквозного вала, и имеет несколько диапазонов управления (DG, DR, DRG, DFR, DFR1, DFLR, ED, ER) и короткие контрольное время.

Параметр

A10VSO Series 31
Size NG 18 28 45 71 88 100 140
Displacement Vg max in3 1.1 1.71 2.75 4.33 5.37 6.1 8.54
(cm3) 18 28 45 71 88 100 140
Rotational
speed at
Vg max nnom rpm 3300 3000 2600 2200 2100 2000 1800
maximum1) at Vg <V 2) n nmax
perm
rpm 3900 3600 3100 2600 2500 2400 2100
Flow at nnom
and Vg max
qv max gpm 15.6 22 30.9 41.2 48.9 52.8 67
(l/min) 59 84 117 156 185 200 252
at nE= 1800 rpm qvE max gpm 8.5 13.3 21.4 33.8 41.8 47.6 67
and Vg max (l/min) 32 50 81 128 158 180 252
Power at nnom, Vg max P max HP 38 52 74 98 115 125 156
(kW) 28 39 55 73 86 93 118
at Δp = 4100 psi(280 bar) at nE= 1800 rpm PE max HP 19 31 50 79 99 111 156
and Vg max (kW) 15 24 38 69 74 84 118
Torque Δp = 4100 psi
(280 bar)
T max lbft 59 92 148 233 289 328 460
(Nm) 80 125 200 316 392 445 623
at Vg max and Δp = 1450 psi
(100 bar)
T lbft 22 33 53 83 103 117 164
(Nm) 30 45 72 113 140 159 223
Rotary stiffness
of drive shaft
S c lbft/rad 8177 16460 27659 53019 53019 89350 124970
(Nm/rad) 11087 22317 37500 71884 71884 121142 169437
R c lbft/rad 10953 19442 30258 56457 56457
(Nm/rad) 14850 26360 41025 76545 76545
U c lbft/rad 5967 67187
(Nm/rad) 8090 91093
K c lbft/rad 9839 19316 32382 60562 60562 99794 138961
(Nm/rad) 13340 26189 43905 82112 82112 135303 188406
Moment of inertia for rotary group JTW lbsft2 0.022 0.04 0.078 0.197 0.197 0.396 0.574
(kgm2) 0.00093 0.0017 0.0033 0.0083 0.0083 0.0167 0.0242
Case volume V gal 0.106 0.185 0.264 0.42 0.42 0.58 0.79
(l) 0.4 0.7 1 1.6 1.6 2.2 3
Weight without through drive (approx.) m lbs 28 40 52 78 78 109 144
(kg) 12.9 18 23.5 35.2 35.2 49.5 65.4
Weight with through drive (approx.) lbs 30 43 55 84 84 122 164
(kg) 13.8 19.3 25.1 38 38 55.4 74.4

Размерная Диаграмма

A10VSO Series 31 Specification 18поршневой насос A10VSO

Дисплей приводного вала
аксиально поршневой насос A10VSO

Poocca will send you drawings for confirmation when comparing parameters with you. Please send us your more detailed requirements. We will reply to you as soon as possible and send relevant product quotations, physical drawings, dimensional drawings and other information.

О Компании POOCCA

Производитель гидравлических систем POOCCA специализируется на проектировании, производстве, обслуживании и продаже Гидравлических насосов, Двигателей, Клапанов, Компонентов и Нестандартных решений. Наш годовой экспорт превышает 16 миллионов долларов, что отражает Наш глобальный охват и Доверие, завоеванное благодаря Долгосрочным партнерским отношениям с более чем 75 странами по всему миру.

У нас имеется более 2000 различных шестеренных насосов, поршневых насосов, лопастных насосов, двигателей, гидравлических клапанов, гидравлических распределителей и аксессуаров для удовлетворения потребностей различных отраслей промышленности, таких как строительство, сельское хозяйство, горнодобывающая промышленность и другие.

Основная миссия Производителя POOCCA Hydraulic – предоставлять Продукцию Высокого Качества каждому Пользователю Гидравлических Систем по доступным Ценам. Большинство Товаров Есть В Наличии На Складе И Могут Быть Быстро Отправлены.

По своей сути, POOCCA – это больше, чем просто производитель гидравлики, это надежный партнер, стремящийся обеспечить успех клиентов благодаря качеству, инновациям и устойчивому развитию в отрасли гидравлики.

Shipping & Payment

Товар может быть доставлен в указанный вами пункт назначения с помощью DHL, UPS, FEDEX, TNT, EMS, SF International и других служб логистики.Существует множество способов оплаты.
Двигатель гидравлического насоса

Related products

Rexroth A2F гидромотор и A2F гидронасос
Аксиально-поршневой насос Bosch Rexroth A2FO
A10VG63DA1D3L10R
Поршневые насосы Rexroth A10VG
Гидравлический поршневой насос Yeoshe V
Гидравлический поршневой насос Yeoshe V
Насос гидравлический Rexroth A11VLO
Насос гидравлический Rexroth A11VLO
Поршневой насос Nachi PVS
Поршневой насос Nachi PVS
Поршневой насос с разомкнутым контуром Vickers PVXS
Поршневой насос с разомкнутым контуром Vickers PVXS
Поршневой насос Rexroth A20VO A2VLO
Аксиально-поршневой насос Rexroth A20VO A20VLO
Поршневой насос Rexroth A22VG
Гидронасос Rexroth a22vg 45
Насос A17FO
поршневой насос Rexroth A17FO
Насос гидравлический Rexroth A11VLO
Поршневой насос высокого давления A11VO

Contact Us

POOCCA

Welcome to contact us using WeChat

POOCCA

Welcome to contact us by email

POOCCA

Welcome to contact us via whatsapp