Поршневой насос с регулируемым рабочим объемом Yuken A3H

Сопутствующие товары

Насос Rexroth A4VSO
Аксиально-поршневой регулируемый насос Rexroth A4VSO
Аксиально-поршневой насос переменного тока A2VK
Поршневой насос Rexroth A2VK
аксиально поршневой насо Yeoshe AR
аксиально поршневой насо Yeoshe AR
Поршневой насос с разомкнутым контуром Vickers PVXS
Поршневой насос с разомкнутым контуром Vickers PVXS
Гидравлический поршневой насос Vickers PVE
Поршневой насос переменного объема Vickers PVE
Поршневой насос Parker PV
Купить поршневой насос Parker PV
Аксиально-поршневой насос Bosch Rexroth A1VO
Rexroth A1VO Аксиально-поршневой насос Bosch
поршневой насос a8vo
Rexroth A8VO - Аксиально-поршневые регулируемые
Насос A17FO
поршневой насос Rexroth A17FO
Насос гидравлический Rexroth A11VLO
Поршневой насос высокого давления A11VO

Связаться с нами

Поршневой насос с регулируемым рабочим объемом Yuken A3H

Поршневой насос Yuken A3H Высокого давления: 35 МПа (5080 фунтов на квадратный дюйм),
с компенсацией давления, Вращение: по часовой стрелке / против часовой стрелки. Скорость отображения на кубическом дюйме: 0,995.
Число оборотов в минуту при 1800 об/мин: 7,8.
ОБОРОТЫ в минуту: 600-3600.
A3H16 A3H37 A3H56 A3H71 A3H100 A3H145 A3H180

Особенность

Высокая производительность: Поршневой насос Yuken A3H превосходно работает при максимальном давлении 35 МПа. Объемный КПД превышает 95%, а общий КПД превышает 90% при 1800 об/мин, что обеспечивает исключительные результаты.

Универсальные варианты управления: Для различных применений доступны три различных типа управления.

Широкий диапазон расхода: Серия A3H, от A3H16 до A3H180, включает в себя 7 моделей с расходом от 16,3 до 180,7 см3/об.

Компактный и мощный: Разработанный с учетом компактности, насос отличается высоким соотношением выходной мощности к массе, что делает его удивительно компактным.

Параметр поршневого насоса A3H

ПОРШНЕВОЙ НАСОС YUKEN A3H

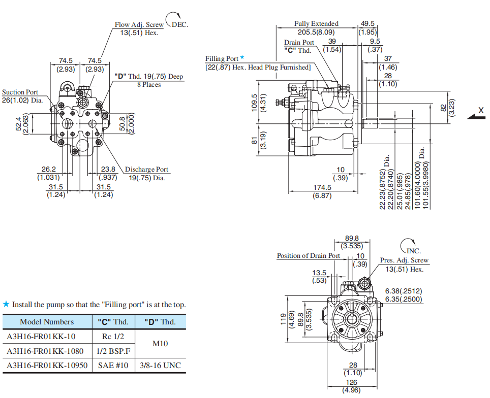
DimensionРазмерная Диаграмма

poocca will assist you in checking the model. We will send you the parameters, dimensional drawings, physical pictures and other information you need of the relevant products. If you have any needs, we will send you information immediately. We look forward to cooperating with you soon.

ГИДРАВЛИЧЕСКИЙ ПОРШНЕВОЙ НАСОС YUKEN A3H

ГИДРАВЛИЧЕСКИЙ ПОРШНЕВОЙ НАСОС YUKEN A3H

 

Поршневой насос с регулируемым рабочим объемом Yuken A3H

Поршневой насос Yuken A3H Высокого давления: 35 МПа (5080 фунтов на квадратный дюйм), с компенсацией давления, Вращение: по часовой стрелке / против часовой стрелки. Скорость отображения на кубическом дюйме: 0,995. Число оборотов в минуту при 1800 об/мин: 7,8. ОБОРОТЫ в минуту: 600-3600. A3H16 A3H37 A3H56 A3H71 A3H100 A3H145 A3H180

Особенность

Высокая производительность: Поршневой насос Yuken A3H превосходно работает при максимальном давлении 35 МПа. Объемный КПД превышает 95%, а общий КПД превышает 90% при 1800 об/мин, что обеспечивает исключительные результаты.

Универсальные варианты управления: Для различных применений доступны три различных типа управления.

Широкий диапазон расхода: Серия A3H, от A3H16 до A3H180, включает в себя 7 моделей с расходом от 16,3 до 180,7 см3/об.

Компактный и мощный: Разработанный с учетом компактности, насос отличается высоким соотношением выходной мощности к массе, что делает его удивительно компактным.

Параметр поршневого насоса A3H

ПОРШНЕВОЙ НАСОС YUKEN A3H

DimensionРазмерная Диаграмма

poocca will assist you in checking the model. We will send you the parameters, dimensional drawings, physical pictures and other information you need of the relevant products. If you have any needs, we will send you information immediately. We look forward to cooperating with you soon.

ГИДРАВЛИЧЕСКИЙ ПОРШНЕВОЙ НАСОС YUKEN A3H

ГИДРАВЛИЧЕСКИЙ ПОРШНЕВОЙ НАСОС YUKEN A3H

 

Related products

поршневой насос rexroth
поршневой насос Rexroth A10VSO
Аксиально-поршневой насос переменного тока A2VK
Поршневой насос Rexroth A2VK
A10VG63DA1D3L10R
Поршневые насосы Rexroth A10VG
Поршневой насос Nachi PVS
Поршневой насос Nachi PVS
Поршневой насос с разомкнутым контуром Vickers PVXS
Поршневой насос с разомкнутым контуром Vickers PVXS
Гидравлический поршневой насос Vickers PVE
Поршневой насос переменного объема Vickers PVE
Поршневой насос Rexroth A20VO A2VLO
Аксиально-поршневой насос Rexroth A20VO A20VLO
Rexroth A2F гидромотор и A2F гидронасос
Rexroth A2F гидромотор и A2F гидронасос
Насос A17FO
поршневой насос Rexroth A17FO
Насосы Parker PVP
Купить Parker PVP Гидравлический поршневые насос

Contact Us

POOCCA

Welcome to contact us using WeChat

POOCCA

Welcome to contact us by email

POOCCA

Welcome to contact us via whatsapp