9260886 плунжерный насос

Сопутствующие товары

поршневой насос A4VG
Аксиально-поршневой насос A4VG
Насос гидравлический Rexroth A11VLO
Насос гидравлический Rexroth A11VLO
Поршневой насос Yuken A
Поршневой насос Yuken A
поршневой насос nachi pz
Nachi PZ PZS Piston Pump
Поршневой насос с разомкнутым контуром Vickers PVXS
Поршневой насос с разомкнутым контуром Vickers PVXS
Гидравлический поршневой насос Vickers PVE
Поршневой насос переменного объема Vickers PVE
ПОРШНЕВОЙ НАСОС PVB
поршневой насос Vickers PFB PVB
Поршневой насос Rexroth A20VO A2VLO
Аксиально-поршневой насос Rexroth A20VO A20VLO
Rexroth A2F гидромотор и A2F гидронасос
Rexroth A2F гидромотор и A2F гидронасос
Насос A7VO
Гидравлический насос A7VO

Связаться с нами

9260886 плунжерный насос

Гидравлический насос 9260886 для экскаваторов Hitachi ZX330‑3 / ZX350‑3 / ZX400‑3
— Главный поршневой насос (HPV145H / main pump assembly) для экскаваторов Hitachi. Полностью соответствует OEM‑спецификациям, подходит на модели ZX330‑3, ZX350‑3 (AMS/H/K/LC ), ZX400W‑3.

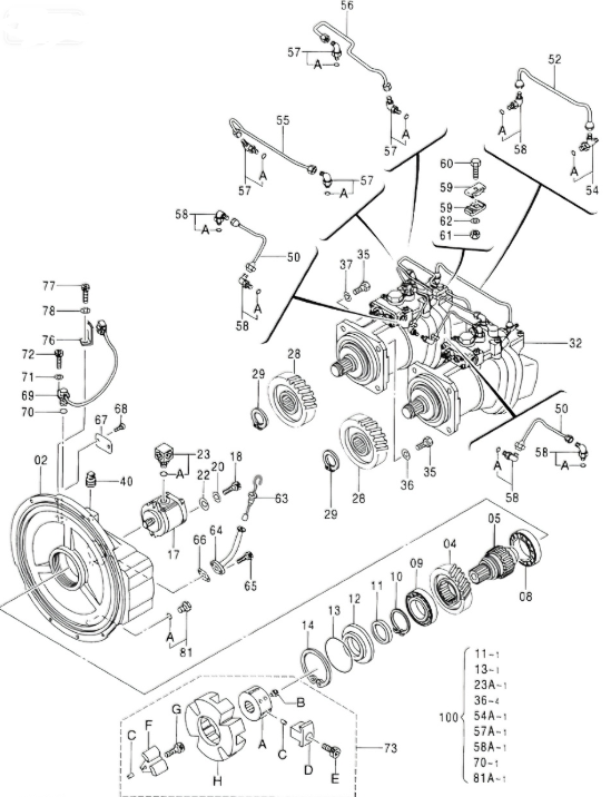
структурная схема 9260886

Особенности

  • Полная совместимость: полностью подходит для моделей экскаваторов Hitachi ZX330‑3, ZX330LC‑3, ZX350‑3 (включая различные комплектации: ZX350‑3‑AMS, ZX350H‑3, ZX350K‑3 ), а также ZX400W‑3.

  • Оригинальный/aftermarket‑качество: насос представлен как OEM или качественный аналог, изготовленный под те же спецификации, что и оригинальная деталь.

  • Гарантия и быстрый отгруз: возможна доставка в течение 1–3 рабочих дней (при наличии на складе), гарантийный срок — 6–12 месяцев.

  • Подходит для ремонта и замены: насос может быть использован как замена оригинального 9260886, что удобно для восстановления работоспособности экскаватора без необходимости покупать полный узел машины.

  • Универсальность установки: поставляется как «PUMP UNIT / main pump assembly», что облегчает процедуру монтажа.

Параметр / Характеристика Значение / Примечание
Артикул / Part No. 9260886 (также применяется комплект 9257309 / 9256100 / 9257596)
Назначение Главный гидравлический поршневой насос (main pump) для экскаватора Hitachi
Совместимые модели экскаватора ZX330‑3, ZX330‑3‑HCMC, ZX330LC‑3, ZX350‑3 (включая AMS / H / K / LC версии), ZX350LC‑3‑HCME, ZX400W‑3 и т.д.
Материал корпуса / корпуса / Pump body material Сталь / металлический корпус (как указано у поставщиков OEM/aftermarket)
Упаковка / Доставка Картон/деревянная тара; возможна доставка морем, авиаперевозкой, экспресс‑курьером (DHL/FEDEX/UPS)
MOQ (минимальный заказ) 1 шт.
Гарантия 12 месяцев

Преимущества нашей компании

Преимущества нашей компании

  • Наличие на складе и быстрая отгрузка — насос 9260886 имеется на складе, при подтверждении заказа возможна отправка в течение 5–10 рабочих дней.

  • OEM / Aftermarket качество — полная совместимость — запасные части производятся по спецификациям, аналогичным оригинальному оборудованию, что обеспечивает надёжность и долговечность.

  • Минимальный заказ от 1 шт. — подходит для ремонта и мелких заказов — удобен как для сервисных служб, так и для компаний, закупающих запчасти небольшими партиями。

  • Профессиональная техническая поддержка и консультации — помогаем с подбором, совместимостью, предоставляем всю необходимую информацию для установки.

  • Гибкие условия поставки и международные логистические опции — поддерживаем экспорт, упаковка и отправка морем, авиатранспортом или экспресс‑курьером по запросу.

FAQ — Часто задаваемые вопросы

Q1: Для каких моделей экскаваторов подходит насос 9260886?
A1: Насос 9260886 совместим с экскаваторами Hitachi ZX330‑3, ZX330‑3 HCMC, ZX350‑3 (включая версии AMS / H / K / LC), ZX350LC‑3 HCME, ZX400W‑3 и другими с аналогичной гидросистемой.

Q2: Это оригинальный насос или аналог OEM/Aftermarket?
A2: Мы предлагаем OEM / Aftermarket вариант, выполненный по оригинальным спецификациям, с аналогичной конструкцией и характеристиками.

Q3: Какой минимальный объём заказа (MOQ)?
A3: Минимальный заказ — 1 единица. Подходит для единичной замены, ремонта или мелкосерийных закупок。

Q4: Какие способы доставки и упаковки вы используете?
A4: Возможны морская, авиа‑ и курьерская доставка. Упаковка соответствует стандартам экспорта, чтобы обеспечить безопасность при транспортировке.

Q5: Обеспечиваете ли вы гарантию на насос после продажи?
A5: Да — мы предоставляем гарантию и поддержку. При необходимости можем обсудить условия гарантийного обслуживания.

Q6: Если я не уверен в совместимости насоса с моим экскаватором?
A6: Просто пришлите модель вашего экскаватора, серийный номер или данные старого насоса — мы проверим совместимость и подтвердим, подходит ли 9260886.

9260886 плунжерный насос

Гидравлический насос 9260886 для экскаваторов Hitachi ZX330‑3 / ZX350‑3 / ZX400‑3
— Главный поршневой насос (HPV145H / main pump assembly) для экскаваторов Hitachi. Полностью соответствует OEM‑спецификациям, подходит на модели ZX330‑3, ZX350‑3 (AMS/H/K/LC ), ZX400W‑3.

структурная схема 9260886

Особенности

  • Полная совместимость: полностью подходит для моделей экскаваторов Hitachi ZX330‑3, ZX330LC‑3, ZX350‑3 (включая различные комплектации: ZX350‑3‑AMS, ZX350H‑3, ZX350K‑3 ), а также ZX400W‑3.

  • Оригинальный/aftermarket‑качество: насос представлен как OEM или качественный аналог, изготовленный под те же спецификации, что и оригинальная деталь.

  • Гарантия и быстрый отгруз: возможна доставка в течение 1–3 рабочих дней (при наличии на складе), гарантийный срок — 6–12 месяцев.

  • Подходит для ремонта и замены: насос может быть использован как замена оригинального 9260886, что удобно для восстановления работоспособности экскаватора без необходимости покупать полный узел машины.

  • Универсальность установки: поставляется как «PUMP UNIT / main pump assembly», что облегчает процедуру монтажа.

Параметр / Характеристика Значение / Примечание
Артикул / Part No. 9260886 (также применяется комплект 9257309 / 9256100 / 9257596)
Назначение Главный гидравлический поршневой насос (main pump) для экскаватора Hitachi
Совместимые модели экскаватора ZX330‑3, ZX330‑3‑HCMC, ZX330LC‑3, ZX350‑3 (включая AMS / H / K / LC версии), ZX350LC‑3‑HCME, ZX400W‑3 и т.д.
Материал корпуса / корпуса / Pump body material Сталь / металлический корпус (как указано у поставщиков OEM/aftermarket)
Упаковка / Доставка Картон/деревянная тара; возможна доставка морем, авиаперевозкой, экспресс‑курьером (DHL/FEDEX/UPS)
MOQ (минимальный заказ) 1 шт.
Гарантия 12 месяцев

Преимущества нашей компании

Преимущества нашей компании

  • Наличие на складе и быстрая отгрузка — насос 9260886 имеется на складе, при подтверждении заказа возможна отправка в течение 5–10 рабочих дней.

  • OEM / Aftermarket качество — полная совместимость — запасные части производятся по спецификациям, аналогичным оригинальному оборудованию, что обеспечивает надёжность и долговечность.

  • Минимальный заказ от 1 шт. — подходит для ремонта и мелких заказов — удобен как для сервисных служб, так и для компаний, закупающих запчасти небольшими партиями。

  • Профессиональная техническая поддержка и консультации — помогаем с подбором, совместимостью, предоставляем всю необходимую информацию для установки.

  • Гибкие условия поставки и международные логистические опции — поддерживаем экспорт, упаковка и отправка морем, авиатранспортом или экспресс‑курьером по запросу.

FAQ — Часто задаваемые вопросы

Q1: Для каких моделей экскаваторов подходит насос 9260886?
A1: Насос 9260886 совместим с экскаваторами Hitachi ZX330‑3, ZX330‑3 HCMC, ZX350‑3 (включая версии AMS / H / K / LC), ZX350LC‑3 HCME, ZX400W‑3 и другими с аналогичной гидросистемой.

Q2: Это оригинальный насос или аналог OEM/Aftermarket?
A2: Мы предлагаем OEM / Aftermarket вариант, выполненный по оригинальным спецификациям, с аналогичной конструкцией и характеристиками.

Q3: Какой минимальный объём заказа (MOQ)?
A3: Минимальный заказ — 1 единица. Подходит для единичной замены, ремонта или мелкосерийных закупок。

Q4: Какие способы доставки и упаковки вы используете?
A4: Возможны морская, авиа‑ и курьерская доставка. Упаковка соответствует стандартам экспорта, чтобы обеспечить безопасность при транспортировке.

Q5: Обеспечиваете ли вы гарантию на насос после продажи?
A5: Да — мы предоставляем гарантию и поддержку. При необходимости можем обсудить условия гарантийного обслуживания.

Q6: Если я не уверен в совместимости насоса с моим экскаватором?
A6: Просто пришлите модель вашего экскаватора, серийный номер или данные старого насоса — мы проверим совместимость и подтвердим, подходит ли 9260886.

Related products

поршневой насос rexroth
поршневой насос Rexroth A10VSO
A10VG63DA1D3L10R
Поршневые насосы Rexroth A10VG
Поршневой насос Parker PV
аксиально поршневой насос Yeoshe PV
Насос гидравлический Rexroth A11VLO
Насос гидравлический Rexroth A11VLO
Поршневой насос A3H Yuken
Поршневой насос с регулируемым рабочим объемом Yuken A3H
Поршневой насос с разомкнутым контуром Vickers PVXS
Поршневой насос с разомкнутым контуром Vickers PVXS
A15VSO A15VLO насос
A15VSO A15VLO Аксиально поршневой насос Rexroth
поршневой насос a8vo
Rexroth A8VO - Аксиально-поршневые регулируемые
Насос гидравлический Rexroth A11VLO
Поршневой насос высокого давления A11VO
Насосы Parker PVP
Купить Parker PVP Гидравлический поршневые насос

Contact Us

POOCCA

Welcome to contact us using WeChat

POOCCA

Welcome to contact us by email

POOCCA

Welcome to contact us via whatsapp